Характеристика терморегулятора EBERLE RTR-E 3563
Рынок термостатов обладает широким ассортиментом, включающим в себя и простые, доступные модели, и исключительные дизайнерские устройства с множеством функций. Одним из соперников в своей ценовой категории является немецкий термостат «Eberle rtr Е 3563», который представляет собой одну из самых простых моделей с температурной шкалой в диапазоне от 5 до 30 градусов.
По размерам прибор очень компактен всего 7,5х7,5 см. Крепится на стену с помощью обычных саморезов или дюбелей.
К явным недостаткам термостата можно отнести отсутствие индикатора, за счет чего непонятно когда он работает, а когда нет, что создает ряд неудобств при эксплуатации. Но учитывая стоимость прибора (в разных регионах от 600 до 1200 руб.) – это мелочи. В остальном же это очень надежное и простое в использовании устройство.
Монтаж термостата
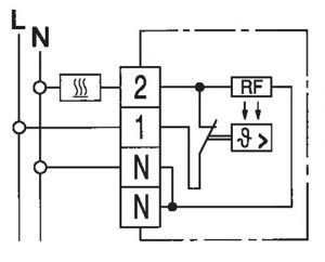
Схема подключения терморегулятора «Eberle rtr e 3563» находится на обратной стороне крышки корпуса прибора. Рекомендовано для его установки обратиться к специалистам, ведь при неправильном монтаже термостат будет работать некорректно.

Схема подключения терморегулятора EBERLE
Если же есть желание рискнуть и обойтись своими силами, стоит учитывать ряд требований:
- Место установки должно находиться вдали от сквозняков и отопительных приборов. На терморегулятор «Eberle 3563» не должен попадать прямой солнечный свет.
- Монтаж осуществляется на высоте около 1,5 м. Его не должны загораживать шторы или объемная мебель.
- Выбранная поверхность должна быть ровной и огнестойкой.
- При креплении к стене, монтаж допустим только на внутренние стены.
- При наличии в доме скачков напряжения терморегулятор «Eberle rtr e 3563» необходимо подключать через источник бесперебойного питания (ИБП).
При наличии минимальных навыков и знаний не составит особого труда подключить терморегулятор «Eberle rtr e 3563 16A». Главное соблюдать вышеперечисленные требования и результат работы будет радовать долгие годы.
Дополнительная информация в этом видео.
Похожие статьи
-
Как выбрать и установить терморегулятор для теплого пола

Комфортное пребывание в помещении с установленной системой «теплый пол» напрямую зависит от наличия терморегулятора и его грамотной настройки. Именно… -
Как подключить терморегулятор теплого пола. Особенности подключения терморегуляторов в разных системах теплого пола

Системы теплого пола состоят из разных компонентов: у каждого из которых свое предназначение. За управление режимом обогрева отвечает терморегулятор для… -
Как подключить термостат к газовому котлу — подключение терморегулятора

В устройстве всех настенных и некоторых современных напольных газовых котлов предусмотрено подключение термостата или программатора. Эти устройства…