Подключение трубки домофона в многоквартирном доме: схема работы подъездных домофонов
Подъездные домофоны представляют собой устройства с магнитными ключами, электрическими замково-переговорными функциями, кнопочными элементами и возможностью контроля за общественным порядком в жилых и общественных помещениях. Если вас интересует процесс подключения трубки домофона в многоквартирном доме, вы сможете найти соответствующую информацию.
Существующие виды подъездных домофонов
Это возможно благодаря расширенным функциям домофона.
Принцип действия домофона
Все составляющие конструкции монтируются на подъездной двери и в квартирах жильцов. Вызывная панель, на которой находятся кнопки, устанавливается у подъезда. В памяти домофона зафиксирован цифровой код, который приводит в действие коммутатор, передающий сигнал. Как работает цифровой подъездный домофон:
- Если входит в подъезд тот, кто проживает в доме, то он открывает замок при помощи брелка, или набирает цифровой код на цифровой панели;
- Приходит гость, но набирает число квартиры, жмет кнопку вызова. Хозяева квартиры получают сигнал, и идентифицируют гостя по видеосвязи или по голосу. Затем владелец квартиры нажимает кнопку, которая разблокирует магнитный замок.

Конструкция абонентской трубки

Абонентское квартирное устройство состоит из двух частей. Это телефонная трубка и панель, которая обычно крепится на стену рядом с входной дверью. Трубку можно установить в любом месте, только потребуется прокладывать провод по квартире. Внутри телефонной трубки находятся микрофон, динамик и небольшая плата с дискретными элементами. На панели установлен рычаг снятия трубки, а на самой трубке имеется кнопка открывания двери.
Кнопка электронного замка может быть расположена и на настенной панели. В современных моделях рычаг заменён герконом, а на самой трубке имеется небольшой магнит. На некоторых моделях может быть установлен переключатель включения трубки. С обратной стороны панели находятся два винта помеченные «+» и «–». К ним подключается двухпроводная линия.
Подключать провода к трубке домофона следует с соблюдением полярности, иначе домофонной системой пользоваться будет нельзя – она работать не будет.
- Все подъездные домофоны, устанавливаемые в подъездах многоквартирных домов, делятся на две группы:
- координатные;
- цифровые.
Исходя из типов домофонов, небольшие отличия имеют и квартирные трубки. В координатных домофонах за номер квартиры отвечает коммутатор, установленный в подъезде, а в цифровых устройствах, специальная микросхема, которая находится на плате внутри телефонной трубки.
Устройство многоквартирного домофона
Аудиодомофон – простой и надежный, но, к сожалению, начинает устаревать очень быстро. В моду входят цветные панели на основе сенсора, так как их стоимость постоянно падает, есть модели, которые имеют свойства записывать все поступающие звонки на флешку. У пользователя возникает возможность по приходу домой, посмотреть, кто заходил. Подобный многоквартирный домофон стоит практически на каждом подъезде во многих городах.

Домофоны разделяются по способу кодификации пришедших гостей и принципу адресации количества абонентов, которых нужно обслуживать.
Порядок установки и подключения домофона
Установка и обслуживание домофона возможны в двух случаях: такие работы и услуги предусмотрены договором управления МКД или соответствующее решение принято на общем собрании собственников (ст. 44 ЖК РФ). О случае, когда управляющая организация устанавливает домофон на свои деньги, мы расскажем отдельно.
Договор управления многоквартирным домом может не предусматривать техническое обслуживание домофона в составе работ по содержанию и ремонту общего имущества МКД. Тогда для начисления платы за обслуживание запирающих устройств необходимо решение ОСС, согласно которому собственники могут заключить договор на обслуживание домофона либо напрямую с подрядной организацией, либо со своей управляющей организацией.
Даже если домофон планируют установить собственники только одного подъезда, для решения такого вопроса необходимо получить согласие и других собственников помещений в МКД (ст. 36 ЖК РФ).
На общем собрании собственники могут принять решение о включении платы за обслуживание домофона в платёжный документ в составе платы за содержание и ремонт общего имущества в МКД, согласно ст. 155 ЖК РФ. Собственники помещений в МКД могут заключить договор напрямую с подрядной организацией и получать отдельные квитанции за обслуживание домофона.
Управляющая организация не может требовать от собственников уплаты отдельной (письмо Министерства регионального развития РФ от 23.08.2010 № 30665-ИБ/14). Этой же позиции придерживается Минстрой РФ в своём письме от 11.04.2016 № 10686-АТ/04 «О содержании и ремонте общего имущества в МКД».
Если решения общего собрания собственников об установке домофона или оплате его обслуживания нет, и управляющая организация решила установить его самостоятельно, она не сможет впоследствии предъявить собственникам плату за установку обслуживание запирающего устройства.
Уборка подъездов управляющей организацией
173656
Марки домофонов и количество абонентов
Малоабоненские – устанавливаются на объектах и в частных загородных домах. Эти аппараты могут обслужить только одного абонента, например ,в коттеджах, на охранных пунктах, при подъезде к дому или въезда на участок. Многоабонентские – предназначены для подъездов многоэтажных и многоквартирных домов, административных зданий.
Не так давно эти конструкции могли обслужить только 6 человек, но прогресс не стоит на месте, и на данный момент можно купить домофоны различных конфигураций, которые могут обслужить более 1000 абонентов, при этом могут сделать доступными десятки входов в подъезд.

- Координатно-матричные – подключение видеодомофона к подъездному домофону, происходит в зависимости с блоками, которые устанавливают абоненты, например, если блоков будет 30, то проводов придется тянуть такое же количество. Для координатного подъездного домофона характерна доступная цена, но при таком большом составе проводов, она может работать некорректно, так как сеть часто перегружается.
- Цифровые домофоны – стоят не дешево, но подключаются при помощи двух проводов. Но стоит отметить, что соседи могут прослушивать разговоры и аппараты часто выходят из строя. Кроме того они могут, отправить ложный вызов или не открыть подъездную дверь с домофоном.

- Беспроводные системы – могут быть подключены без применения новых коммуникаций, а по проводам телефонных линий. Также они подключаются при помощи IP. Это домофоны элитной серии, и они могут работать через вай-фай соединения или через интернет. У этой системы панель вызова может быть с кнопками, с камерой, с внутренним оснащением – трубкой для подъездного домофона или небольшой экран. Управляются эти конструкции с планшета, смартфона, но можно использовать и простую трубку, которую устанавливают рядом с входной дверью в квартиру. Но если хозяин решит подключить трубку, то он лишается возможности использовать видеосвязь. Если видеонаблюдение необходимо, то лучше заказать комплексный монтаж.
Цифровой домофон
Для подключения аппаратов такого типа используются только кабель с двумя жилами, по которым передается закодированный сигнал. Трубка, установленная в квартире, номер которой был набран на панели вызова, реагирует на подаваемый сигнал. Чтобы задать соответствие между набираемым кодом и трубкой, применяются специальные перемычки – джамперы, – которые перемыкают нужные контакты в ответном аппарате.
ПОЛЕЗНАЯ ИНФОРМАЦИЯ: Как подсоединить телефонную розетку к проводу: схема цветов провода

Чтобы правильно запрограммировать работу трубки, джамперы размещают между пронумерованными клеммами таким образом, чтобы сумма цифр равнялась номеру квартиры.
К достоинствам подобных домофонов относят простоту монтажа и подключения новых абонентов.
Главным недостатком такого оборудования является влияние каждой трубки на работу всей системы. При замене устройства, которая проводится вследствие его поломки, а также при подключении новых абонентов крайне важное значение имеет правильная установка джамперов.
Внимание! В случае ошибки при подключении цифровой трубки или короткого замыкания в подводящих проводах могут возникнуть неполадки в работе системы.
В настоящее время для частичного устранения этого недостатка применяются этажные контроллеры, которые позволяют локализовать неисправность в пределах одного уровня.
Другим минусом цифровых домофонов является их относительная дороговизна, которая не позволяет этим устройствам получить широкое распространение.
Какая есть индикация гостей у домофонов
- Аудиодомофоны – это своего рода радио, которое имеет двусторонняя связь. То есть посетитель идентифицируется хозяином квартиры по голосу, посредством трубки для подъездного домофона;

- Видеодомофоны — они не только осуществляют функцию открывания подъездной двери и аудиосвязь двустороннюю, но и производят видеонаблюдения всего пространства примыкающего к подъезду. Отличительной особенностью данных домофонов являются специальные глазки, в которые вмонтированы миниатюрные видеокамеры. Посредством этих камер и производится наблюдение за гостями. Камера завуалирована под глазок.
Домофон с камерой реализовывает просмотр участка сбоку, впереди, лестничный проем. Особенность аппарата – скрытая съемка изнутри здания. Особо престижные домофоны могут осуществить аудио и видеонаблюдения, у них есть панелька управления с воспринимающим и особо чувствительным экраном. Могут записать и сохранить события и лица посетителей в количестве 16 шт.

Некоторые изготовители пошли дальше — посредством переговорного экрана стали использовать идентификацию при помощи мобильного или ТВ.
Это исполняется вручную или автоматом: сигнал приходит на устройство и подключается роль домофона, а после завершения беседы – переключается в типовой режим. Такие свойства есть у беспроводных видов домофонов. Перечисленные выше аспекты влияют на цену и популярность блоков. Обычные аудиодомофоны, в отличие от домофонов с видео или самых элитных модификаций, имеют невысокую отпускную цену.
Подробности
Подключение к домофонам цифрового типа
Как же правильно подключать в квартире трубку от домофона цифрового типа? Это вовсе несложно при условии, что будут соблюдены несколько правил. Абонентский узел системы домофонов сделан из трубки и панели. Последняя, как правило, установлена сбоку от парадной двери, а место монтажа трубки (если есть желание) может быть где угодно, и только одно – туда требуется проводить кабель от панели.

Обратите внимание, что для упрощения такого процесса провода с одинаковой полярностью, как правило, делают в одинаковом цвете.
Первичный тип монтажных работ системы домофона всегда проводят квалифицированные мастера, а собственноручная замена сводится к приобретению устройства для переговоров, собственно замене и даже подключению проводов. До начала приобретения трубки следует уточнить тип своего дома. Для координатных и цифровых систем предусмотрены различные модели. Схема подключения трубки к домофону цифрового типа есть определенные особенности.
В процессе монтажа требуется набирать номер квартиры. Это требуется делать так:
- Осторожно вскрывайте корпус устройства для переговоров. Вы увидите, что на микросхеме есть парные штыри с номерами 1-2-4-8.
- Посредством особенных перемычек параллельно соединяйте пары так, чтобы сумма номеров была равна номеру квартиры. Для квартиры №15, например, нужно замыкать четыре первые пары.
Следует учесть, что неполадки с одном устройством переговоров в квартире могут отразиться на функционировании всей системы в целом, и в этом заключается основной минус таких систем. Чтобы локализовать неисправность в пределах определенного этажа, в систему можно дополнительно встраивать контроллеры этажного типа.
Монтаж на прибор координатно-матричного вида
Как подключить трубку домофона в квартире? Подключение трубки до аналогового (то есть координатно-матричного) прибора будет отличаться от аналогичного воздействия с цифровыми устройствами. Аналоговая система домофона будет работать по принципу станции телефонного типа – прием, анализирование и соединение с требуемым абонентом в ней будет осуществлять именно коммутатор. Подключение абонентов с систему чаще всего осуществляется параллельно. Для того, чтобы соединять переговорные устройства с коммутатором предназначены две особенные шины. На первой шине контакты (DO-D9) будут отвечать за десятки в квартирных номерах, а на второй (ЕО-Е9) за единицы. Провод от клеммы, имеющий знак «+» требуется соединить с контактом, который отвечает за десяток в вашем номере (для квартиры №98 – 9), а провод от отрицательной клеммы нужно подключить до единичного контакта (в нашем примере это 8).
Интересно, что, если в вашем подъезде больше, чем 100 квартир, модель домофона обязательно должна соответствовать такому количеству (должна быть даже третья шина, которая отвечает за сотни в квартирных номерах). Принцип действия аналогичный.
В определенных случаях при монтаже домофонной системы настройщики могут перепрограммировать панель, смещая номера на определенную величину. Это действий проводят, например, если нет возможности подключать сотые номера.
В этой ситуации своими руками вы не сможете подсоединить трубку, и потребуется вызывать специалиста, который будет настраивать вашу систему. Коммутаторы, как правило, устанавливают на каждом этаже в щитках распределительного типа и соединяются между собой в цепь параллельного типа.
Также возможна установка и одного коммутаторного устройства на подъезд в целом, но в этой ситуации потребуются дополнительные десятки метров кабеля для того, чтобы последовательно подключать квартиры на верхних этажах. Если во время подключения хотя бы одного переговорного абонентского устройства к аналоговой подъездной системе нарушить полярность подключения проводов, это способно отразиться на функционировании всех системных устройств, как и в случае с домофонной цифровой сетью.
Производители устройств
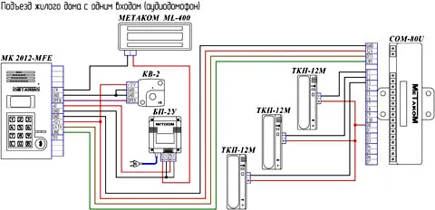
Метаком
Домофоны Метаком – инновационные системы. Покупая эти аппарата, мы можете быть уверены в их безупречной работе длительное время. Принцип работы и монтажа не отличается от других подобных устройств. Домофон Метаком самый простой и состоит из трубки и панели. Работа домофона будет правильной, если его грамотно смонтируют.

Установка подъездных дверей с домофоном Метаком производится специалистами компании продающей домофоны. У систем есть ряд преимуществ:
- на панели нет механических переключателей, что способствует устранить проблему с блокировкой клавиш и окисления проводных контактов;
- двери открываются ключом;
- можно открыть подъездную дверь при помощи специального, запрограммированного цифрового кода;
- простое обслуживание, установка и перепрограммирование.
Для корректной работы домофона Метаком, нужно правильно его монтировать, подключить и настроить. Выполнение этой работы лучше доверить компании, в которой работают специалисты по установке и обслуживанию подъездных домофонов этой марки.
Vizit
Производители разработали недорогие и качественные домофоны Vizit.

Внешняя панель этого устройства производится в корпусе, который предотвращает взломы. При этом домофон может работать в очень суровых условиях погоды. Домофоны Vizit имеют различные узлы и собираются по желанию клиента, часто установка подъездных дверей сопряжена с монтажом аудиодомофона Визит. К блоку вызова можно подобрать управляющий блок, который определяет, сколько абонентов будет подключено, видеокамеры – купольные или корпусные, замки электромеханические замки. Есть десятки вариантов комплектации устанавливаемого оборудования.
Cyfral
Установка домофона, должна проводиться строго по инструкции. Компания Cyfral прилагает ее к каждому изготовленному комплекту. Можно установить домофон своими руками, прочитав это руководство, но если знаний у вас нахватает, то не рискуйте своей безопасностью и целостностью прибора, обратитесь в фирму по установке.
Эти цифровые домофоны подключаются при помощи телефонного кабеля, к которому абонентские трубки будут подключены параллельно.
При подключении домофонов Cyfral, нужно правильно его запрограммировать.
Commax
Домофоны commax выпускает корейская фирма, они являются одними из лидирующих производителей на рынке продажи этой продукции. Комплект видеодомофона «Commax» входят:

- вызывная панель с камерой;
- монитор;
- электрический замок.
Видеодомофоны «Commax», отличаются по характеристикам, так как у разных моделей они неодинаковые:
- может быть монохромным или цветным;
- может оснащаться трубкой, или громкой связью;
- есть комплекты с датчиками движения;
- есть функция фотосъемки или видеозаписи, с сохранением данных.
Этот видеодомофон можно подключить к обычному домофону при помощи блока сопряжения – модуля, который помогает подключить практически любой видео домофон. Этот блок сопряжения позволит не только видеодомофон, но и несколько камер, которые устанавливаются в подъезде и панель, устанавливаемая прямо на этаже абонента. Подключается блок сопряжения с подъездным домофоном, для устройств с координатным или цифровым устройством.

Аналоговый домофон
Аналоговые установки используют координатно-матричное подключение и работают по принципу телефонной АТС. Дополнительным элементом такой системы является коммутатор, в котором осуществляется обработка и анализ сигнала, а также перенаправление его конкретному абоненту.

Для подключения домофонной трубки к коммутатору используются две шины. Контакты первой из них (D0–D9) соответствуют десяткам, а второй (E0–E9) – единицам. Таким образом, чтобы подключить домофон к квартире, номер которой, например, 74, нужно:
- подсоединить проводник от положительной клеммы абонентской трубки к контакту, соответствующему номеру 7 на шине десятков;
- проводник, примыкающий к отрицательной клемме, – к контакту, соответствующему номеру 4 на шине единиц.
В рассмотренном варианте подключения использовался аппарат, рассчитанный на обслуживание до 100 абонентов. Существуют модели, способные работать с большим числом номеров, однако их принцип действия ничем не отличается от рассмотренного выше.

Если номера квартир, находящихся в подъезде, не позволяют выполнить подключение, установщиком производится перепрограммирование панели управления со смещением номеров на определенное число (например, от каждого необходимо отнять 84). В таком случае возникает некоторая сложность при подключении, поскольку без консультации специалиста, выполнявшего монтаж домофона в подъезде, трудно выяснить величину смещения.
ПОЛЕЗНАЯ ИНФОРМАЦИЯ: Подключение USB-розетки: монтаж в стену

Как подобрать домофон
Подбор устройства находится в зависимости от некоторых условий: цена аппарата с установкой и разряд защиты, важный абоненту. На выбор оказывает большое влияние численность обслуживаемых покупателей (много абонентский или мало абонентский), что непосредственно зависит от разрешаемых задач посетителями (аудио и видеоидентификация) и их экономического состояния.
Главные нюансы при выборе
Первоначально нелишне решить, сколько обывателей будет обслуживаться домофоном – для залога сохранности установленной квартиры или подъезда. После этого надо сосредоточить внимание на следующие данные:
- Фирма-наладчик обязана владеть знаниями и опытом в этой сфере.
- Компания-производитель должна учесть акклиматизационные условия.
- Корпус обязан быть антивандальным, при этом уровень защищенности самый высокий.

- Домофон с записью, детекторами или инновационными деталями, которые сложны в монтаже, должны характеризоваться стабильностью при колебании электропитания.
- У установки должен быть сертификат.
- Наличие руководства по монтажу и эксплуатации.
- Допустимость покупки единичных деталей при неисправности.
- Гарантийный срок и наличие обслуживания системы.
- Выбрать аппаратуру с подходящим числом блоков.
- Степень охраны. Например, двухуровневая защита учитывает установку 1-го блока на подходе к объекту, а другого конкретно около двери. Можно смонтировать единые системы домофонов.
- Тип замка, применимый в домофоне: механический или магнитный.

- При подборе видеодомофона надлежит концентрировать внимание на обзоре, наличие подсвечивания ночью.
Также следует учесть, что при возникновении каких-либо опасных ситуаций дверь не должна заблокироваться, а раскрываться легко. Доводчики:
- максимальный вес двери, какую может выдержать элемент;
- смотря где, будет использоваться;
- регулировка системы соответственно сезону;
- вероятность применения в разных погодных ситуациях;
- простота программного обеспечения, а также перепрограммирования.
Видео инструкция по выбору домофона.
Как выбрать трубку
Въехав в новую квартиру уже с имеющейся домофонной системой, можно обнаружить, что трубки в квартире нет, либо старые хозяева демонтировали устройство, либо они не оплачивали услугу и им отключили домофон.

Несмотря на первопричины, можно заново установить своими руками новую трубку. Рынок богат всеми видами товаров, в том числе и данными устройствами. Их можно купить как в сервисных компаниях, так и в обычных магазинах электроники и техники. Конструкция моделей имеет стандартный, не уникальный тип.
Перед покупкой стоит узнать, какая схема подключения используется в доме: аналоговая (координатная) или цифровая. Получить ответ на данный вопрос можно у соседей или в компании, которая устанавливала домофон.
Отличаются трубки аналогового и цифрового домофона схемой подключения, а, следовательно, внутренней платой. Цены на них в зависимости от качества и внешнего вида будут меняться в пределах от 500 до 1500 рублей.
Почему не звонит трубка домофона?
Если трубка домофона не звонит, могут быть несколько причин:
-
Отсутствие питания. Проверьте, подключен ли домофон к сети электропитания. Если он подключен, убедитесь, что нет повреждения кабеля.
-
Неправильное подключение проводов. Убедитесь, что провода правильно подключены к домофону и вызывной панели.
-
Неисправность трубки. Если провода подключены правильно, но трубка все еще не звонит, возможно, она неисправна и требует замены.
-
Неисправность вызывной панели. Если вы можете услышать звук вызова, но не можете ответить на вызов, возможно, проблема связана с вызывной панелью. Проверьте, работает ли звонок на вызывной панели, и убедитесь, что провода правильно подключены к ней.
-
Неисправность блока питания. Если трубка домофона работает, но звук вызова слабый или отсутствует, возможно, проблема связана с блоком питания. Проверьте, подключен ли блок питания к домофону и сети электропитания, и убедитесь, что он функционирует правильно.
Если проблему не удается решить самостоятельно, лучше обратиться к специалисту или сервисному центру для диагностики и ремонта домофона.