Как подключить конфорку электроплиты «Мечта» — схема подключения
Людей, у которых давно служат электроплиты, прославившиеся своей долговечностью, часто интересует информация о способах подключения конфорок. Это вполне естественно, ведь со временем эти элементы начинают выходить из строя, и единственным способом решить проблему является установка новых конфорок. Если уместно, можно рассмотреть, как осуществить подключение конфорки электроплиты мечты.
В теории при идеальных условиях эксплуатации конфорки могут служить практически вечно, но так, конечно же, не бывает. Дело в том, что мы часто забываем их выключить, от чего ТЭНы накаляются до невообразимых температур. В некоторых случаях на поверхности перегоревших конфорок можно увидеть даже трещины. Но это касается только старых моделей, с новыми подобного не случается.

Когда перегорает конфорка плиты, то владельцу приходится задуматься о подключении нового элемента. Само собой, что без схемы здесь не обойтись. Конечно же, она должна быть в техническом паспорте изделия. Но нужно признать, что спустя 20 лет документы теряются или же приходят в нечитаемое состояние.
Внимание! В идеале вы должны осуществлять подключение новой конфорки к электроплите точно по схеме, которая указана в техническом паспорте.
Схемы подключения популярных плит
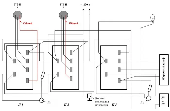
Мечта 8

Это одна из самых продаваемых плит прошлых времён. Неудивительно, что на кухнях у многих людей можно увидеть именно её. Она состоит из таких ключевых узлов:
- ТЭН Е1+ Е2,
- ТЭН Е3-Е5,
- S1-S4,
- F,
- индикаторы.
ТЭНы E1-2 располагаются соответственно в конфорке 1 и 2. Это можно легко увидеть на схеме в технической документации плиты. ТЭН Е3-Е5 — это духовой шкаф. S1-S4 представляют собой коммутационный узел, при помощи которого можно осуществлять управление электроплитой.
Индикаторы, имеющиеся в электроплите, согласно схеме бывают двух типов HL1 и HL. Они отвечают за работу ТЭНов. Также в наличии HL3. Но это просто подсветка жарового шкафа, чтобы всегда была возможность посмотреть, в каком состоянии блюдо.
Внимание! В большинстве конструкций используется тепловое реле Т-300. При этом мощность каждого ТЭНа — 1 кВт.
За регулировку степени нагрева отвечает переключатель S1. Он имеет четыре позиции, с помощью которых можно обеспечивать разную интенсивность огня. В первом положении замыкаются Р1-2 и Р2-3.
Когда это происходит, то активируется ТЭН E3. При этом ток пройдёт следующий маршрут:
- всё начинается с контакта ХР,
- потом идёт реле F,
- Р1-2,
- Е4-5 + Е3,
- Р2-3.
Первый пункт назначения — это контакт вилки. Данный нагревательный элемент имеет последовательное подключение к четвёртому ТЭНу и к пятому. Мало того, он параллельно соединён со вторым и третьим. Во всём этом вы можете легко убедиться самостоятельно, посмотрев на схему внизу.

Когда происходит переключение в положение под номером два, то активируются Р1-1 и Р2-3. Естественно, цепь, через которую проходит ток, меняется. Всё начинается с контакта вилки, находящегося снизу, который подписывается, как ХР. Потом следуют такие промежуточные точки:
- F,
- Р1-1,
- Е3,
- Р2-3.
Заканчивается всё штекером XP, который сверху. При активации данной цепи запускается исключительно ТЭН E3. Увеличения мощности удаётся добиться за счёт уменьшения сопротивления. Главное достоинство такой схемы подключения конфорки электроплиты заключается в том, что оно является возможным, при неизменном напряжении в сети, которое составляет 220 В.
Для S1 есть позиция номер 3. В таком случае происходит замыкание Р1-1 и Р2-2. Из-за этого происходит подключение ТЭНов Е4+5. Если же говорить про S4, то этот переключатель отвечает за работу лампы. На стандартной схеме работы конфорок электроплиты она имеет обозначение HL3.
Электра 1002

Второй, самой часто используемой в домах и квартирах электроплитой является Электра 1002. Поэтому знать о её схеме подключения конфорок — просто необходимо. К счастью, она не представляет особой сложности и в ней может разобраться даже новичок.
Итак, в наличии у электроплиты есть четыре конфорки, естественно, схема подключения у каждой из них своя. Первые два нагревательных элемента имеют индексы H1и H2. Их главным отличием является трубчатая структура.
Третья конфорка в схеме подключения электроплиты имеет индекс Н3. Она делается из чугуна и является довольно большой — 200 мм. Н4 также делается из чугуна. Её размер 145 мм.
За регулировку температуры отвечают регуляторы Р1 и Р2. У них, нет как таковых ступеней мощности. Но этот недостаток с лихвой компенсируют семиступенчатые переключатели П3 и П4. В свою очередь, ПШ отвечает за духовой шкаф и имеет 3 позиции.
За блокировку отвечает переключатель П5. Сигнальные лампы конфорок в схеме электроплиты это Л1-4. Пятая Л позволяет подсветить духовой шкаф. Также в наличии Л6. Она включается, когда в шкафу достигается соответствующая температура.
За нагрев духового шкафа отвечают соответственно элементы H5-6. Семёрка — это гриль. Терморегулятор обозначается простой буквой T. Также в наличии клавишный включатель — это B. Седьмая Л освещает духовой шкаф.
Внимание! Моторедуктор обозначается как большая буква M.
Схемы для других популярных моделей

Безусловной, электроплиты Электра 1002 и Мечта 8 были одним из самых популярных в своё время. Но сейчас люди предпочитают покупать себе продукцию совсем других брендов, среди самых известных можно вспомнить Gorenje и Нansa. Именно их плиты большинство устанавливает у себя на кухнях.
Также можно вспомнить бренд «Лысьва». Конечно, их плиты сейчас мало кто покупает, если есть возможность приобрести продукцию более респектабельного бренда, тем не менее круг потребителей у компании довольно большой. В общем, ниже вы найдёте схемы подключения конфорок электроплит от самых популярных брендов.

С помощью этой схемы подключения конфорок электроплиты вы легко выполните все работы самостоятельно. Но для их качественного выполнения не помешают хотя бы базовые знания работы электросетей и электрических приборов.
Нюансы подключения ТЭНа и его проверка

ТЭН обеспечивает нормальную работу конфорки электроплиты. Фактически это её основной элемент, без которого невозможно нормальное функционирование всей схемы. Но чтобы всё прошло нормально, необходимо учесть множество нюансов. Среди основных:
- Контактные соединения не должны касаться корпуса электроплиты, иначе подсоединение может окончиться плачевно.
- Контакты необходимо качественно заизолировать. Лучше всего для этой цели подойдёт кембрик. В крайнем случае вы можете использовать обычную изоленту. Но её надёжность не в пример хуже.
- Очень важно протестировать ТЭН конфорки электроплиты, чтобы подключение по схеме было успешным.
Чтобы протестировать ТЭН конфорки электроплиты вам понадобится специальный прибор. Его называют омметр. Мультиметр также вполне сгодится для этой цели. Эти приборы созданы для того, чтобы измерять сопротивление в схеме.
Если вы используете мультиметр, то для начала необходимо настроить соответствующий режим измерения. Дальше два провода необходимо подсоединить к соответствующими гнёздам.

После этого нужно включить прибор. При помощи двух щупов вы сможете измерить сопротивление ТЭНов. Чтобы это сделать необходимо щупами осуществить подключение к контактам ТЭНа конфорки для электроплиты.
Если вашим измерительными прибором является цифровой мультиметр, то после подключения его щупов к контактам — дисплей сразу покажет результат. Возможны три положения:
- разрыв,
- полная непригодность,
- сопротивление.
Само собой, чтобы осуществить подключение ТЭНа конфорки к электроплите согласно схеме необходимо, чтобы мультиметр показал третье положение. В противном случае ничего не получится.
После подключения ТЭНа электроплиты у каждого человека возникает вопрос, а будет ли после этого работать конфорка? Все ли провода подсоединены правильно? Особенно это верно, когда речь касается конфорок.
Внимание! Диагностика подключения всех проводов ТЭНа к общей схеме электроплиты должна проводиться в пассивном состоянии.
Для диагностики вам понадобится всё тот же прибор. Перед тестированием отключается нагрузка электроплиты, включается переключатель мощности и осуществляется подключение щупов к вилке. Дисплей покажет соответствующий результат.
Итоги
Осуществить подключение конфорки и всех её элементов к электроплите по схеме несложно. Достаточно иметь соответствующую схему и базовые знания функционирования электрической сети и электроплиты.
- Как правильно установить варочную панель в столешницу
- Как установить инфракрасный обогреватель самостоятельно
- Как подключить кондиционер к электросети самому
- Подключение телефонной розетки rj11, схема
Можно ли убрать дверь на кухню с электроплитой?
Да, вы можете убрать дверь с кухни, где установлена электроплита, если это выполняется в соответствии с правилами пожарной безопасности и не противоречит правилам и нормам строительства.
Перед тем, как убрать дверь, убедитесь, что установлен другой элемент защиты, например, пожарный занавес или пожарный экран, чтобы обеспечить безопасность в случае возникновения пожара.
Важно также учитывать, что удаление двери может повлиять на энергетическую эффективность и вентиляцию кухни, поэтому важно проконсультироваться с профессионалом перед принятием решения.